
Двухступенчатые червячные мотор-редукторы МЧ2-160: характеристики, устройство, принцип работы, стоимость |
|
Универсальные червячные двухступенчатые мотор-редукторы серии МЧ2-160 предназначены для понижения скорости, используются в агрегатах требующих низкие скорости и высокий момент. Данная серия способна выдавать момент до 4000Нм в соотношение передаточных чисел 70-4000. Основные характеристики соответствуют серии редукторов 1Ч160 т.к. он используется в качестве второй ступени мотор-редуктора. Базовая серия комплектуется общепромышленным асинхронным электродвигателем, по желанию заказчика возможна установка двигателей специального исполнения. |
|
Техническое описание
Условия применения
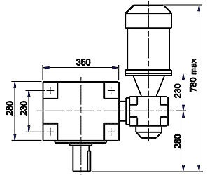
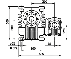
Габаритные и присоединительные размеры
Варианты сборки
Технические характеристики
Техническое описание мотор-редуктора МЧ 2-160
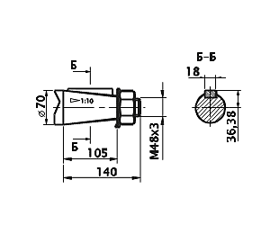
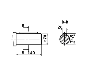
Редуктор МЧ2-160 имеет две ступени. В качестве первой ступени используется редуктор серии 2Ч-80, а в качестве второй редуктор 1Ч-160. Суммарное передаточное отношение может достигать 4000/1. Корпус мотор-редуктора изготовлен из чугуна. Выходной вал в базовой комплектации конический. Диаметр выходного вала - 70 мм.
УСЛОВИЯ ПРИМЕНЕНИЯ РЕДУКТОРОВ МЧ2-160
- Нагрузка постоянная или изменяемая не превышающая максимальный момент
- реверс в обе стороны, без изменений рабочих характеристик
- климатические условия соответствуют ГОСТ 15150-69 (У2, У3, Т2)
- при использование общепромышленных асинхронных электродвигателей внешняя среда должна быть неагрессивной и невзрывоопасной.

Габаритные и присоединительные размеры
Варианты сборки
Установочное положение

Вариант сборки червячной пары

Технические характеристики
ПАРАМЕТР |
ПЕРЕДАТОЧНОЕ ЧИСЛО ОБЩЕЕ |
100 |
125 |
160 |
200 |
250 |
400 |
630 |
1000 |
1600 |
2500 |
4000 |
Номинальный крутящий момент на выходном валу,
Н.м
при ПВ>63% |
1440 |
1970 |
1670 |
1710 |
1750 |
1985 |
2090 |
2210 |
2315 |
2055 |
1350 |
при ПВ<63% |
1800 |
2465 |
2090 |
2140 |
2190 |
2480 |
2610 |
2760 |
2895 |
2570 |
1690 |
при ПВ=40% |
1800 |
2465 |
2090 |
2140 |
2190 |
2480 |
2610 |
2760 |
2895 |
2570 |
1690 |
при ПВ=25% |
2160 |
2525 |
2508 |
2570 |
2630 |
2980 |
3130 |
3310 |
3470 |
3085 |
2030 |
при ПВ=16% |
2160 |
2525 |
3170 |
3210 |
3285 |
3720 |
3600 |
3750 |
4180 |
3855 |
2535 |
КПД, %s
при ПВ>63% |
77 |
74 |
73 |
68 |
65 |
60 |
55 |
50 |
35 |
30 |
22 |
Термическая мощность, кВт
при ПВ>63% |
3,15 |
3,15 |
3,15 |
3,47 |
2,90 |
2,90 |
2,05 |
1,24 |
1,09 |
0,92 |
0,92 |
Тип электродвигателя серии АИР |
100L4 |
100L4 |
100L4 |
100L4 |
100S4 |
90L4 |
80B4 |
80A4 |
80A4 |
71B4 |
71A4 |
Мощность эл./дв, [кВт] |
4,0 |
4,0 |
4,0 |
4,0 |
3,0 |
2.2 |
1.5 |
1,1 |
1,1 |
0,75 |
0,55 |
Номинальная частота вращения выходного вала, об/мин |
14,0 |
11,2 |
8,8 |
7,0 |
5,6 |
3,5 |
2,2 |
1,4 |
0,88 |
0,56 |
0,35 |
|
| |